登 录
注 册
当前位置 :
咨询答复
> 详情
返 回
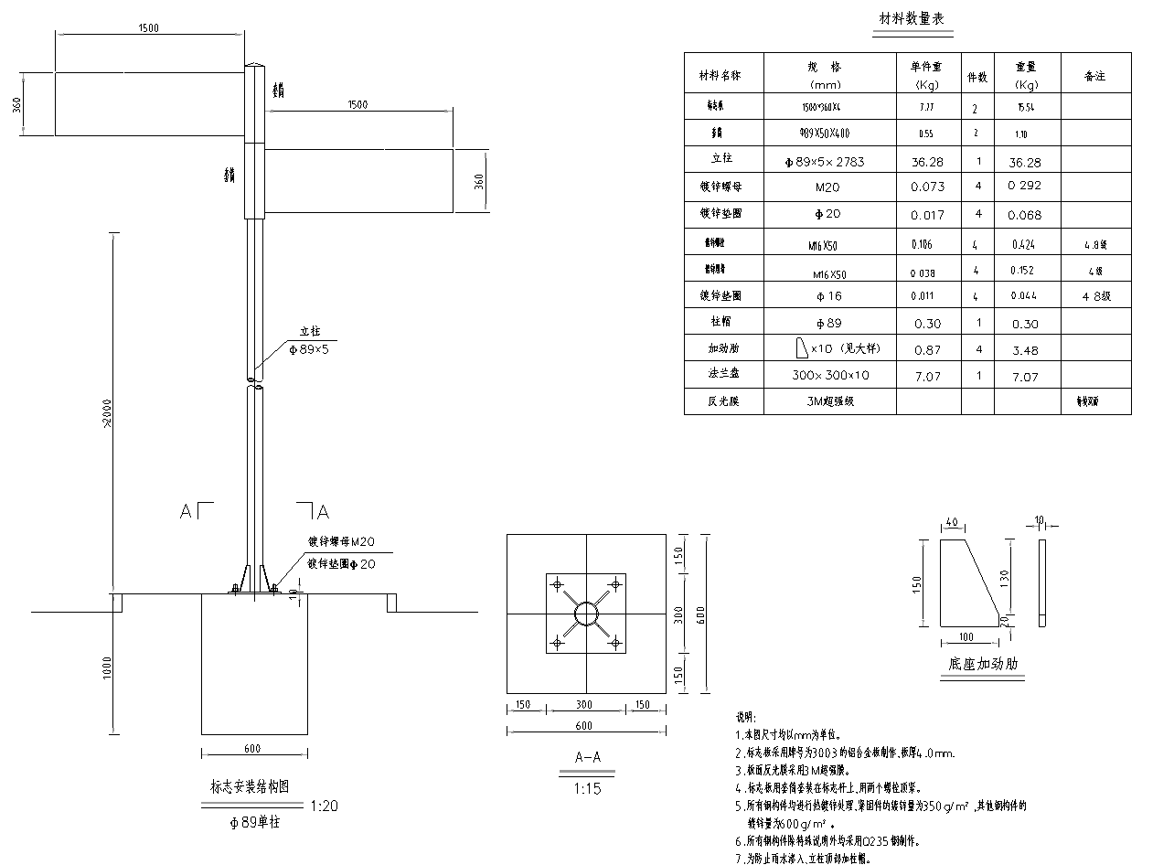
问题类型:市政园林 | 发布时间:2025-09-08 10:25:22
问题内容:请教老师,2019版市政定额,在道路交叉路口新建道路“路名牌”的定额套项问题, 请教老师,例如附件图纸中的路名牌,是根据基础、立柱、标志牌规格尺寸,分别套用、挖土、浇筑基础、回填、外运土、立柱安装、标志牌安装的定额。 还是套用“2019版定额 W3-0143 路名牌 安装 ”定额,此项定额工程内容为:“安装扶正、浇捣混凝土、挖填土夯实”
答复意见:W3-0143定额项目:其工作内容已包括挖土、基础混凝土浇捣立杆、安装等全部内容综合编制。
问题附件:
查看