登 录
注 册
当前位置 :
咨询答复
> 详情
返 回
问题类型:定额问题 | 发布时间:2025-12-01 13:22:38
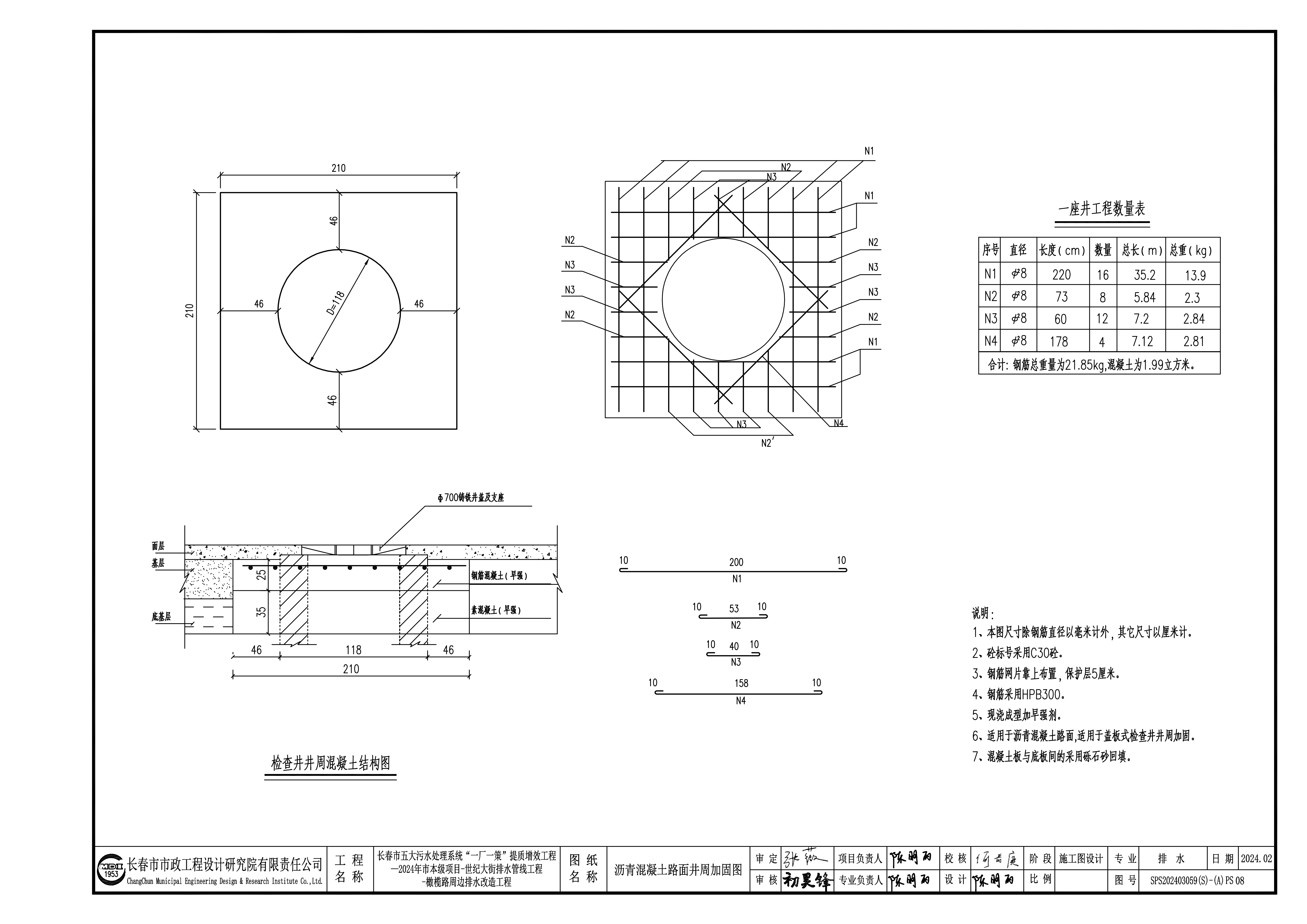
问题内容:井周加固里面的混凝土采用市政19定额哪条定额;是否为砌筑非定型井 混凝土井圈制作
答复意见:可以参考执行!
问题附件:
查看